erzlich Willkommen, liebe Freunde der Schutz- und Leittechnik,

heute präsentieren wir zum ersten mal in der Geschichte unserer Wissensplattform schutztechnik.com einen Gastbeitrag. Wir freuen uns riesig über den Beitrag der Firma KoCoS Messtechnik. Der Beitrag beschreibt die Prüfung der QU-Schutzfunktion unter Verwendung der ARTES Prüfeinrichtung.
Ein Blick auf den Entwicklungsstand der Energiewende zeigt, wie wichtig dieses Thema derzeit ist. In den letzten Jahren haben regenerative Energieerzeuger immer mehr an Bedeutung gewonnen. Insbesondere im Bereich der Windenergie gab es enorme Zuwächse. Die installierte Anlagenleistung lag Ende 2015 bei 45 GW, Einzelanlagen bringen es mittlerweile auf Größenordnungen zwischen 5 und 8 MW (Onshore / Offshore).
Also los geht's mit unserem erstem Gastbeitrag, diesmal von der KoCoS Messtechnik AG:
(PS.: Wir weisen alle Leser darauf hin, dass zusätzlich zu der hier beschriebenen Prüfung die "Technische Richtlinie für Erzeugungseihnheiten und -anlagen" - Teil 8 "Zertifizierung der elektrischen Eigenschaften von Erzeugungseinheiten und- anlagen am Mittel-, Hoch- und Höchstspannungsnetz" zu berücksichtigen ist.)
Automatische Überprüfung der Blindleistungs- Unterspannungsschutzfunktion
Mit zunehmender Leistungsgröße der einzelnen Windanlagen erfolgt der Anschluss direkt an die elektrischen Energienetze, sowohl an die Mittelspannungs- als auch an die Hochspannungsnetze. Um die Stabilität und damit die Sicherheit sowie die Zuverlässigkeit der elektrischen Netze zu gewährleisten, darf im Gegensatz zu den Netzanschlussregeln aus früheren Zeiten die Energieerzeugungsanlage (nachfolgend mit EZA abgekürzt) nicht sofort vom Netz getrennt werden, sobald ein Spannungseinbruch aufgrund eines Kurzschlusses aufgetreten ist. Damit sollen weitere mögliche Abschaltungen entfernter Windenergieanlagen vermieden werden.
Bevor eine EZA in Betrieb genommen werden darf, muss deren Eignung im Zertifizierungsverfahren nachgewiesen werden. Das Zertifizierungsverfahren ist in [2] beschrieben worden. Dabei muss unter anderem die bestimmungsgemäße Funktion des Schutzkonzeptes überprüft werden. Solche Prüfungen konnten bisher nur manuell durchgeführt werden. Zeitaufwendige Vorbereitungen und Berechnungen der Überprüfungsbedingungen waren dabei notwendig. Darüber hinaus müssen die Ergebnisse extra dokumentiert werden. In diesem Beitrag wird der Nachweis der Q-U-Schutzfunktion mit Hilfe eines automatischen Prüfsystems inklusive der Generierung des entsprechenden Prüfberichtes vorgestellt.
1 Blindleistungsrichtungs-Unterspannungsschutz
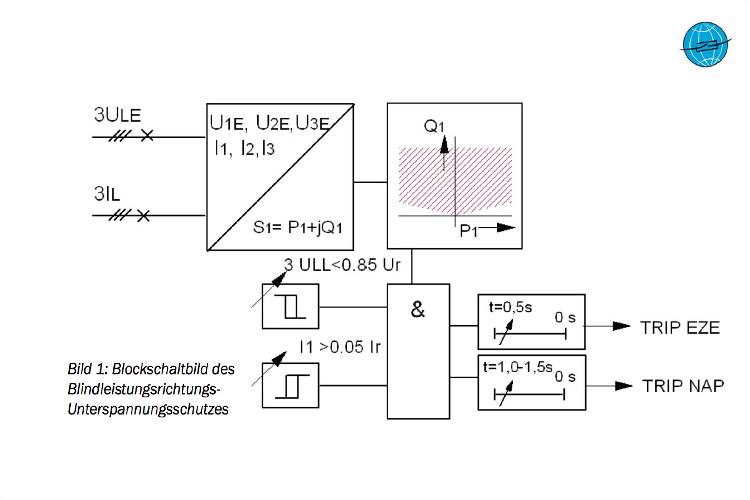
Für den sicheren Betrieb der elektrischen Netze mit einem hohen Anteil an dezentralen EZA’s ist es notwendig, die einzelnen Energieerzeugereinheiten (nachfolgend mit EZE abgekürzt) an der Netzstützung zu beteiligen. Wenn beispielsweise ein Kurzschluss im elektrischen Netz auftritt, sollen nach Anforderungen des Verbandes der Übertragungsnetzbetreiber die EZE’s bei Absinken und Verbleib der Spannung am Netzanschlusspunkt (nachfolgend mit NAP abgekürzt) auf 0,85 der Bemessungsspannung und bei gleichzeitigem Blindleistungsbezug mit einer Zeitverzögerung von 0,5 s vom Netz getrennt werden [3]. Ähnliche Anforderungen sind vom Bundesverband der Energie- und Wasserwirtschaft in der technischen Richtlinie für EZA in Mittelspannungsnetzen formuliert worden [4], jedoch soll die Trennung am NAP erfolgen. Die hierfür erforderliche Einrichtung zur Entkupplung der EZA vom elektrischen Netz wird als Blindleistungsrichtungs- Unterspannungsschutz (nachfolgend mit Q-U-Schutz abgekürzt) bezeichnet. Im Lastenheft für den Q-U-Schutz [5] wird die Wirkungsweise der geforderten Funktion ausführlich beschrieben. Auch die Rechtsverordnung zum Erneuerbaren-Energien-Gesetz (EEG) fordert den Einbau eines derartigen Q-U-Schutzes [6]. Im Bild 1 ist das Blockschaltbild der Q-U-Schutzfunktion dargestellt.

2 Prüfung der Q-U-Schutzfunktion
Nach [7] sind mindestens folgende Prüfungen auszuführen:
• Prüfung der Schutzrelais-Einstellung bezüglich der Stromrichtungserfassung am NAP. Folgende Vorgehensweise wird dabei empfohlen:
· Wenn der Wind ausreichend ist, liefert der Windpark elektrische Energie in das Stromnetz. Gemäß dem Verbraucherzählpfeilsystem soll hierbei das Vorzeichen der elektrischen Wirkleistung negativ sein. Zunächst ist demnach der richtige Anschluss der Verdrahtung zu überprüfen.
• Prüfung symmetrischer Spannungseinbrüche:· Bei einer Blindleistung größer als 5% des Bemessungswertes und einer Wirkleistung, bei der der Mindeststrom I1> überschritten ist, sollen die Spannungen bis zum Ansprechen symmetrisch abgesenkt werden.
· Die Ansprech- bzw. Auslösezeit soll dabei aufgenommen werden.
• Bestimmung des Rückfallverhältnisses:· Bevor die Auslösung der Q-U- Schutzfunktion erfolgt, sind die Spannungen bis zum Rückfall der Startbedingungen bzw. der Anregung wieder symmetrisch zu steigern.
• Prüfung der UND-Verknüpfung:· Eine Scheinleistung, die zum Ansprechen der Blindleistungsrichtungscharakteristik ausreicht, ist vorzugeben. Danach sind die Spannungen unsymmetrisch abzusenken. Auch bei Absenkung einer Leiter-Erde-Spannung bis auf 0V darf es zu keiner Auslösung kommen.
• Prüfung des Ansprechens der Blindleistungsrichtung
· Die Ansprechcharakteristik für die Abhängigkeit der Blindleistung von der Wirkleistung soll überprüft werden.
• Prüfung des Freigabestromes· Die Größe des Freigabestromes ist nachzuweisen.
Hierbei ist noch zu erwähnen, dass nach der VDN–Richtlinie für digitale Schutzsysteme [8] die installierten Schutzsysteme in regelmäßigen Zeit- abständen auf Funktionstüchtigkeit überprüft werden sollen. Dabei wird von einem vierjährigen Prüfzyklus ausgegangen.
3 Prüfsystem
Der Zeitaufwand für die Überprüfung der Q-U-Schutzfunktion lässt sich unter Verwendung eines vollautomatischen Prüfsystems mit entsprechender Prüfsoftware deutlich reduzieren.

Bild 2 zeigt die Prüfeinrichtung ARTES 560, welche aufgrund ihrer Spezifikation alle Anforderungen an die Überprüfung der Q-U-Schutzfunktion erfüllt. Die Bedienung und Steuerung der Prüfeinrichtung erfolgt mit der ARTES-Prüfsoftware. Die aktuelle Version V.4 bietet mit dem Q-U-Monitor ein speziell auf die Überprüfung der Q-U-Schutzfunktion abgestimmtes Prüfmodul. Mit diesem können Prüfungen vereinfacht, automatisiert und damit deutlich beschleunigt werden.
Bild 3 zeigt die ARTES V4 Prüfsoftware mit der neuen Microsoft Fluent–Benutzeroberfläche.

Diese ermöglicht einen schnellen Zugriff auf den vollen Funktionsumfang der Prüfsoftware. In der Abbildung ist der im Lieferumfang enthaltene VD-Monitor zu sehen. Dieses Basismodul ermöglicht die Prüfung von beliebigen Schutzrelais durch manuelles Einstellen der Generatorwerte.
Die ARTES-Prüfsoftware bietet verschiedene, komfortable und speziell auf die Überprüfung unterschiedlicher Schutzfunktionen abgestimmte Prüfmonitore. In der Konfiguration bzw. als Funktion ist in Bild 4 auch der Blindleistungs-Unterspannungsschutz aufgeführt.

Um die von den Herstellern der Schutzgeräte unterschiedlich realisierten Ansprechkennlinien der Q-U-Schutzfunktion überprüfen zu können, ist eine einfache Anpassung der Kennlinie in der Software möglich. Bild 5 zeigt die möglichen Charakteristiken der Blindleistung als Funktion der Wirkleistung.

Der Abbildung ist zu entnehmen, dass folgende Optionen berücksichtigt werden:
• Konstante bzw. minimale Blindleistung
• Ansteigende Blindleistung nach Freigabe durch den minimalen Strom
• 2-stufige Blindleistung nach Freigabe durch den minimalen Strom
• 3-stufige Blindleistung nach Freigabe durch den minimalen Strom
Im Bild 6 ist beispielsweise das Ersatzschaltbild mit den Messwandlern samt deren Übersetzungsverhältnissen dargestellt.

Damit werden die zur Funktionsprüfung notwendigen Prüfgrößen Unterspannung, Blindleistung und Minimalstrom unter Berücksichtigung der Messwandlerdaten automatisch berechnet.
Für die Parametrierung der geforderten Prüfschritte stehen unterschiedliche Prüfmodi zur Auswahl. Prüfungsdefinitionen auf Grundlage unterschiedlicher Prüfmodi können in einem Prüfplan zusammengefasst und automatisch ausgeführt werden (Siehe Bild 7).

Mit dem Prüfmodus „Manuell“ ist zunächst der richtige Anschluss der Schutzeinrichtung zu überprüfen. Die Schutzeinrichtung wird im Allgemeinen angeschlossen, wie in Bild 8 dargestellt.

Der Stromwandler wird in der Regel auf der Seite S1 bzw. der Leitungsseite geerdet. Wenn die EZA Wirkleistung liefert, muss eine negative Wirkleistung angezeigt werden.
Das Prüfsystem ARTES 560 ist strommäßig entsprechend anzuschließen und die Erdung des sogenannten Prüfobjektes auf der Leitungsseite zu definieren. Wenn nun eine Scheinleistung mit positiver Wirk- und Blindleistung eingestellt wird, muss das Vorzeichen der Wirk- und der Blindleistung am Display des Schutzgerätes negativ sein.
Die Prüfmodi „Serie“ und „Sequenz“ dienen anschließend zur Überprüfung der Genauigkeit der Ansprechcharakteristik der Blindleistung als Funktion der Wirkleistung. Nach Art der vom Hersteller der Q-U-Schutzfunktion realisierten Ansprechcharakteristik können beliebige Prüfpunkte definiert werden. Nach dem Start der Prüfung werden der Reihe nach die Prüfpunkte angefahren und entsprechend der Reaktion der Q-U-Schutzfunktion aus- gewertet.
Die weiteren Prüfmodi ermöglichen die automatische Überprüfung der nachstehend aufgeführten Einstellungen unter Berücksichtigung der entsprechenden Randbedingungen für die Q-U-Schutzfunktion.
• V Test: Überprüfung des Ansprechwertes der Unterspannungseinstellung
• I Test: Überprüfung des Ansprechwertes der Mindeststromeinstellung
• Q Test: Überprüfung des Ansprechwertes der Blindleistung
• φ Test: Überprüfung des Winkelbereiches der Blindleistungsrichtung
Die Ansprech- und Rückfallwerte werden durch pulsförmige Rampen ermittelt. Alle für die Überprüfung notwendigen Parameter wie Start- und Endwert, Pulsbreite, Winkel zwischen Strom und Spannung, Anzahl der Stufen, Pausenwerte, etc., werden in einem vordefi nierten Bereich festgelegt. Die Angaben können entweder auf den Bemessungswert bezogen oder als absolute Größe dargestellt werden. Eine Umrechnung ist hierfür nicht erforderlich. Auch die Rückfallwerte werden automatisch ermittelt und die entsprechenden Rückfallverhältnisse bestimmt.
Im Prüfmodus „V Test“ ist zusätzlich die Auswahl der Fehlerschleifen möglich. Damit lassen sich phasenselektive Fehlerarten nachbilden. Somit wird nicht nur der Ansprechwert der U< Funktion, sondern auch die logische UND-Verknüpfung, wie oben gefordert, in einem Prüfschritt ermittelt.
Der Prüfmodus „φ Test“ bietet die Möglichkeit, eine Überprüfung des Blind- leistungsbereiches sowohl im als auch gegen den Uhrzeigersinn auszuführen. Folglich kann das Ansprechverhalten in den 4 Quadranten der kartesischen Koordinaten bestimmt werden. Nach Abschluss der automatischen Prüfung kann der von der ARTES-Prüfsoftware generierte Prüfbericht zur Beurteilung bei der Zertifizierung der Windenergie- anlage eingereicht werden. Die Ergebnisse werden grafisch und numerisch dargestellt. Darüber hinaus lassen sich die definierten Prüfschritte und die Prüfergebnisse in einem Prüfplan speichern, damit bei der Wiederholungsprüfung entsprechend den regelmäßigen Wartungsintervallen das Verhalten der entsprechenden Q-U- Schutzfunktionen wieder verglichen werden kann.
4 Zusammenfassung
Für den sicheren Betrieb der elektrischen Netze bei einem hohen Anteil an dezentralen EZA ist es notwendig, dass die einzelnen EZE an der Netzstützung beteiligt werden. Die hierfür erforderliche Einrichtung zur stabilen Entkupplung der EZA vom elektrischen Netz wird als Q-U-Schutz bezeichnet. Auch die Rechtsverordnung zum Erneuerbaren-Energien-Gesetz (EEG) fordert einen derartigen Q-U-Schutz. Um bei der hohen Anzahl der WEA den Zeitaufwand für die Prüfung der Q-U-Schutzfunktion zu reduzieren, ist ein automatisches Prüfsystem erforderlich. Die automatische Prüfung der Q-U-Schutzfunktion ist inzwischen ein Bestandsteil der aktuellen Prüfsoftware ARTES V4.0.
Diese Prüfsoftware ist rückwärtskompatibel zu früheren Versionen der ARTES–Prüfsoftware. Die verschiedenen Prüfmodi für die geforderten Prüfschritte können zu einem Prüfplan für die Ausführung der automatischen Prüfung der Q-U-Schutzfunktion zusammengestellt werden. Prüfpläne können entsprechend definiert und für die Wiederholungsprüfungen, die spätestens alle 4 Jahre erfolgen sollten, gespeichert werden.
Copyright: KoCoS Messtechnik AG
Autoren: Rijanto / Bitz
5 Literatur
[2] H. Hartenbach, H. Rijanto, J. Möller: Automatic certification testing of the system automatics of wind power plants, paper 0418, CIRED 2011
[3] VDN: Transmission Code 2007, Netz- und Systemregeln der deutschen Übertragungsnetzbetreiber, Version 1.1, August 2007
[4] BDEW: Technische Richtlinie „Erzeugungsanlagen am Mittelspannungsnetz“, Richtlinie für Anschluss und Parallelbetrieb von Erzeugungs- anlagen am Mittelspannungsnetz, Ausgabe Juni 2008
[5] VDE/FNN: Lastenheft Blindleistungsrichtungs-Unterspannungsschutz (Q-U-Schutz), Ausgabe Februar 2010
[6] Verordnung zu Systemdienstleistungen (Systemdienstleistungsverordnung – SDLWindV) zum EEG 2009, Ausgabe Mai 2009
[7] J. Möller: Anforderung an die Schutzprüfprotokoll des Entkupplungsschutz, Stand 23.01.2011, www.moe-service.com
[8] VDN: VDN – Richtlinie für digitale Schutzsysteme, Berlin, Ausgabe November 2003
[9] KoCoS: ARTES II Automatische Prüfsysteme, www.kocos.com
Sicherheitshinweis:
Nichtbeachtung der folgenden Hinweise kann Tod, Körperverletzung oder erheblichen Sachschaden zur Folge haben!
Bei allen auf schutztechnik.com beschriebenen Prüfungen können gefährliche Spannungen auftreten. Die Sicherheitsregeln und Sicherheitsvorschriften für elektrische Anlagen sind bedingungslos einzuhalten. Für Arbeiten an der Primäranlage sind geeignete Erdungs- und Kurzschließmaßnahmen an den jeweiligen Arbeitsstellen vorzusehen.
Die beschriebenen Arbeiten dürfen nur durch qualifiziertes Personal durchgeführt werden. Dieses muss gründlich mit den einschlägigen Sicherheitsvorschriften und Sicherheitsmaßnahmen sowie den Warnhinweisen aus den Handbüchern der Lieferanten der verwendeten Komponenten vertraut sein. Die hier beschriebenen Inhalte stellen keine Arbeitsanweisungen dar. Sie müssen in jedem einzelnen Punkt hinsichtlich der Sicherheitsregeln und Sicherheitsvorschriften durchdacht werden.














